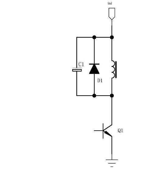
一、现在流行的接法,如图。

图中,继电器的线圈经过Q1作为开关,使其导通与断开。D1作为续流,消耗线圈中的能量。
二、继电器的特点;
1、吸合电流大于释放电流

2、保持电流小于吸合电流、大于释放电流。
以上两点均为继电器的“通病”,大家可以做一下实验,或看一看说明书。
三、流行电路的优点及缺点
大家知道,继电器的线圈相当于电感,它的电流不能突变。在释放时,Q1截止瞬间,线圈将仍保持原来的电流大小,如果不接入D1这个二极管,产生的电压-----理论上是无穷大的(在外电路负载为无穷大时),流行电路中的D1的接入,给线圈中的能量提供了释放的通道。
然而,假如(理论上)二极管为理想的,即它只单向导通而没有任何功率消耗,那么,在继电器释放时,线圈中的电流将一直保持吸合时的最大电流(同时假如线圈为理想的),这种情况将使继电器无法释放。
实际中的二极管及线圈都不是理想的,所以,它是可以释放的。继电器的吸合到释放是由线圈中的电流决定的,如果二极管及线圈的等效电阻(直流)很小,那么它的释放时间将很长,反之,则较短。
由此看,流行电路的优点是提供了Q1截止时的能量释放通道;其缺点是,释放时间还有进一步缩短的可能。
四、其它接法。
曾见过象下图中电路,也曾见过象下图中没有二极管的接法,这些接法都考虑到了抑制开关Q1截止时的反向电压,但没有考虑到释放时间问题。

五、建议接法。
1、加入电阻R1,使能量释放快一些。

上图中,线圈在Q1关断时,能量主要消耗在R1上,使继电器可以快速降到释放电流。
R1的选择,由Q1的最高反压、线圈工作电流两者决定,电阻越大,释放时间越短。---- 计算就不说了吧。
2、减小继电器保持时的功耗。
大家知道,继电器吸合时需要较大的电流,而保持吸合状态则不需要和吸合时的电流一样。
下图接入R1及C1将明显减小继电器的保持功耗。在继电器吸合前,C1已充电至供电电压,吸合的瞬间将由C1为
继电器供电,以保障吸合所需的大电流。当吸合后,供给线圈的电流来自R1,它将电流限制到较小状态。

最后,注意,实际应用中,除非特殊情况,建议依然使用常见电路,原因:
① 继电器的开关时间一般在 10ms左右。
②续流二极管的主要作用是为了保证驱动芯片(三极管)不被反向电动势过高击毁(这里不是击穿,是永久损坏)。
③继电器的应用频率不会太高。(开关10ms的时间,决定其频率也就百HZ左右)
相关新闻