焊枪行业现目前基本结构都会用到一款微动开关,那么焊枪适用哪种微动开关呢?15A电流大小的微动开关作为焊枪把手开关是非常适用的。我们欧姆龙品牌以V系列开关为主导,推出了焊枪行业非常适用的开关V-15-9A5。下面就由潺林电子为大家具体来介绍一下这款欧姆龙V-15-9A5开关。
具体参数如下:
1. 电流大小:15A AC250V
2. 脚位数:2脚
3. 触点形式:常开
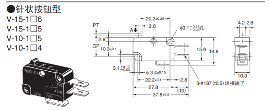
4. 驱动杆:针状按钮型
5. 端子规格:焊接端子
6. 动作力大小:1.96N
7. 电气寿命:10万次以上(30次/min)
8. IP保护:IP40
9. 使用环境温度:-25~105℃
10. 接点材质:银合金
11. 安装固定方式:M3螺丝安装
12. 产品尺寸大小:详见下图

相关新闻