欧姆龙新品G3VM-□MT MOS FET继电器模块介绍:
1、具备T开关功能,实现fA级的较小漏电流,有助于达到与以往的干簧继电器同等的测量性能;
2、接点构成:1a+T开关功能;
3、采用小型封装,有助于节省印刷电路板上的封装空间。

具体产品种类如下:
|
形状 |
接点构成 |
端子种类 |
负载电压 |
包装形式/卷切 |
包装形式/带状包装 |
||||
|
主机 |
辅机 |
型号 |
最小包装单位 |
型号 |
最小包装单位 |
||||
|
|
(个) |
(个) |
|||||||
|
模块 |
1a |
表面安装端子 |
20V |
200mA |
G3VM-21MT |
1 |
G3VM-21MT(TR01) |
100 |
|
|
60V |
800mA |
400mA |
G3VM-61MT |
G3VM-61MT(TR01) |
|||||
|
100V |
550mA |
G3VM-101MT |
G3VM-101MT(TR01) |
||||||
1、带状包装(表面安装端子型)的订货请在型号末尾加上(TR01)。以卷切品购入的产品因无防湿包装,请在封装时采用手工焊接。
2、还备有每卷500个的产品(500个/卷)。
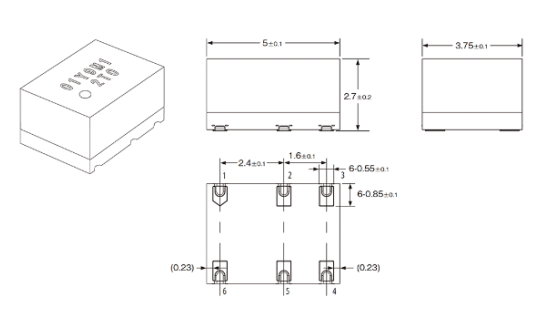
外形尺寸如下:标记内容与实际产品有所不同。
注意事项:
安全要点:
1、请勿在产品的输入电路、输出电路上外加过电压、过电流。否则可能会导致产品故障及起火。
2、接线及焊接请按照焊接条件进行正确操作。
若在焊接作业未完成的状态下使用产品,则会因通电时的异常发热导致烧损
保存条件
为实现系统要求的信赖度,降额措施必不可少。
为充分放心地使用产品,除了对最大额定值和推荐动作条件采取降额措施外,条件允许时还请在根据使用环境条件确认实际设备的基础上,进行留有充足余量的设计。
1、请保在不会有水淋到、无阳光直接照射的场所。
2、搬运和保存时,请按照包装箱上的注意事项进行处理。
3、请保存在常温、常湿、常压的场所。
此外,温度和湿度请以5~35℃、相对湿度请以45~75%为大致标准。
4、请保存在硫化氢等腐蚀性气体及含盐气流不会触及产品,及用肉眼判断无尘埃、铁屑的场所。
5、请保存在温差较小的场所。保存时温度的剧烈变化会导致结露、导线的氧化与腐蚀等,并引起焊锡熔析性的劣化。
6、将产品从包装中取出后再次保存时,请使用经过防带电处理的存放容器。
7、无论何种场合,请勿对产品施加会导致变形、变质的力。
8、本公司产品的保证期限为产品购买后或交付到指定场所后的 1年之内。
通常存放一年以上时,建议在使用前先确认锡焊性。
我们专业主营欧姆龙开关、继电器、传感器、连接器等电子元器件产品,作为十多年丰富元器件经验团队,我们将一如既往竭诚为您提供一流的服务,若有需要技术支持或需求,请随时与我们联系!
相关新闻