潺林电子


  • 返回
  • 首页
  • 导航
  • 首页
    右

    标签打印机的得力助手欧姆龙光电传感器——为你带来更高效便利

    标签打印机或智能标签打印机指的是无需与电脑相连接,打印机自身携带输入键盘或者智能触屏操作配备工业级步进马达,超强动力,经久耐用,具备空前的稳定性;旋转部件均配备金属滚动和滑动轴承设计,它将保护你的打印机内部免受长期摩擦发生变形,耐用稳定;标配外挂纸架,更多装纸模式,更大尺寸的标签安装区域,为你带来更高效便利、省时省心的使用体验;


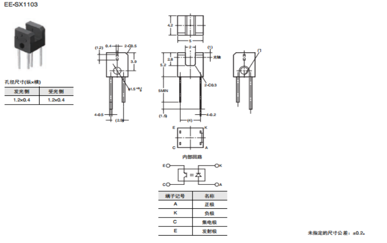
    标签打印机在这个网络发达的时代给我们带来了很多便利,小型便捷快速打印等多功能得到了很多客户的认可,标签打印机能快速准确的打印出来在出票口位置安装欧姆龙传感器将会大大提高效率,欧姆龙光电传感器EE-SX1103的具有小型安装尺寸和高灵敏的特点。

    欧姆龙传感器EE系列具有多种规格可以选择,有多种安装方式和尺寸的传感器,具有高灵敏高反应能力,想了解更多可以咨询我们客服人员。

    右相关新闻

    电话 短信  地图    留言